臥式手搖刷式過濾器產品概述
臥式手搖刷式過濾器是一種水平安裝在管線上,把水流中的鐵銹、沙粒、碎屑、懸浮顆粒或其他混合物等從水中分離出來,并通過搖動搖柄帶動內置轉軸和清洗刷旋轉的方式,實現在線不停機去除濾網雜質的裝置,其轉動軸穿過側蓋,其中位于蓋內側的一端設有刷子,并緊貼在濾網上,而處于蓋外側的那一頭則安裝有手搖柄體,當進出口壓差達到相應值時,只需打開設置在筒蓋上的排污球閥,人工輕輕搖動手搖柄體數圈,直到排放口出水水質變清后即可停止清洗和排污工作。本產品不必拆卸濾筒清洗內部濾網,可直接在管線上將濾網上的堵塞物刷洗干凈,不需要停機或啟動備用流程系統,不間斷供水,保障過濾后的水質、水量,方便快捷,大大減輕了工人的勞動強度。
臥式手搖刷式過濾器部件材料
| 序號 | 部件名稱 | 材料名稱 | |||||
| 1 | 殼 體 | Q235B | 20# | S30408 | S30403 | S31608 | S31603 |
| 2 | 法 蘭 | Q235B | Q235B | S30408 | S30403 | S31608 | S31603 |
| 3 | 濾 網 | 304 | 304 | 304 | 304L | 316 | 316L |
| 4 | 清 洗 刷 | 硬質塑料纖維、豬鬃毛、骨質尼龍、不銹鋼絲 | |||||
| 5 | 轉 動 軸 | Q235B | Q235B | S30408 | S30403 | S31608 | S31603 |
| 6 | 側 蓋 | Q235B | Q235B | S30408 | S30403 | S31608 | S31603 |
| 7 | 排 污 閥 | CF8 | CF8 | CF8 | CF3 | CF8M | CF3M |
臥式手搖刷式過濾器性能規范
| 公稱壓力PN(MPa) | 0.25 | 0.6 | 1.0 | 1.6 | 2.0 | 2.5 |
| 強度試驗壓力(MPa) | 0.375 | 0.9 | 1.5 | 2.4 | 3.0 | 3.75 |
| 密封性能試驗壓力(MPa) | 0.275 | 0.66 | 1.1 | 1.76 | 2.2 | 2.75 |
| 設計制造 | JB/T 7538-2016、SH/T 3411-2017、GB/T 26114-2010 | |||||
| 法蘭標準 | JB/T 81、GB/T 9119、HG/T 20592、HG/T 20615、SH/T 3406、ASME B16.5等 | |||||
| 檢驗試驗 | JB/T 7538-2016、SH/T 3411-2017、GB/T 26114-2010 | |||||
| 濾網目數 | 5目 ~ 150目 | |||||
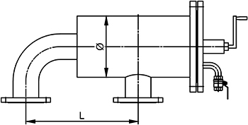
臥式手搖刷式過濾器主要尺寸
| 公稱壓力 PN | 公稱通徑 DN | 結構尺寸/mm | 公稱壓力 PN | 公稱通徑 DN | 結構尺寸/mm | ||
| ? | L | ? | L | ||||
| 10 | 50 | 159 | 500 | 10 | 150 | 325 | 600 |
| 65 | 159 | 500 | 200 | 377 | 700 | ||
| 80 | 159 | 600 | 250 | 426 | 700 | ||
| 100 | 219 | 600 | 300 | 426 | 1000 | ||
| 125 | 273 | 600 | 350 | 457 | 1000 | ||
| 以上尺寸僅供參考,表中未列出的其他規格參數,請咨詢汗越閥門技術部! | |||||||
臥式手搖刷式過濾器結構圖


