電動三通換向閥產品概述
電動三通換向閥是一種主要由Y型三通球閥、支架、部分回轉式角行程電動裝置及附件等組成,在接入380VAC或220VAC電源通電運行時,電動機產生的動力經減速機構分別輸出到行程和轉矩控制機構并傳輸給輸出軸,用來在閥桿上端施加一定的轉矩并傳遞給球體,使它順時針或逆時針旋轉120°或135°來達到改變介質流動方向和自動化控制功能的電動Y型三通換向閥。該閥出廠時通過安裝調節,其球體通孔在左出料口呈全開狀態,此時進口與左出口相連通,當需要切換物料的流通方向時,用戶在現場可通過控制旋鈕燈盒上的旋鈕進行操作,完成對電裝的操作指令,使它驅動閥桿帶動球體向順時針方向旋轉120°或135°,球體通孔則在右出料口呈全開狀態,介質便從進口進入,由右出口流出,流向改變。本產品具有密封性好、流通能力大、操作方便,可遠程使閥門連通狀態運動到所需位置,實現管道中介質流向切換自動化控制等優點,廣泛應用于化工塑膠、冶金礦產、節能環保、建筑建材、玻璃陶瓷和食品飲料等領域的粉體、粉料、顆粒料、粉?;旌狭虾推瑺盍系裙腆w物料輸送。
電動三通換向閥部件材料
| 序號 | 部件名稱 | 材料名稱 | ||||
| 1 | 閥 蓋 | WCB | CF8 | CF3 | CF8M | CF3M |
| 2 | 閥 體 | WCB | CF8 | CF3 | CF8M | CF3M |
| 3 | 閥 座 | R-PTFE、PTFE、TEFLON、NYLON、PPL、PEEK、DEVLON、不銹鋼+硬質合金 | ||||
| 4 | 球 體 | CF8 | CF8 | CF3 | CF8M | CF3M |
| 5 | 閥 桿 | CF8 | CF8 | CF3 | CF8M | CF3M |
| 6 | 填 料 | GRAPHITE、R-PTFE、PTFE、TEFLON、PCTFE | ||||
| 7 | 填料壓蓋 | WCB | CF8 | CF3 | CF8M | CF3M |
| 8 | 下 端 蓋 | WCB | CF8 | CF3 | CF8M | CF3M |
電動三通換向閥性能規范
| 公稱壓力PN(MPa) | 0.6 | 1.0 | 1.6 | 2.5 | 2.0 |
| 殼體試驗壓力(MPa) | 0.9 | 1.5 | 2.4 | 3.75 | 3.0 |
| 高壓液體密封試驗壓力(MPa) | 0.66 | 1.1 | 1.76 | 2.75 | 2.2 |
| 低壓氣體密封試驗壓力(MPa) | 0.6 | 0.6 | 0.6 | 0.6 | 0.6 |
| 設計制造 | GB/T 12237、GB/T 21385、API 608、ASME B16.34 | ||||
| 結構長度 | 按本廠標準Q/CB的規定或按訂貨合同要求 | ||||
| 連接法蘭 | JB/T 79、GB/T 9113、HG/T 20592、HG/T 20615、SH/T 3406、ASME B16.5等 | ||||
| 檢驗試驗 | GB/T 26480、JB/T 9092、API 598 | ||||
| 電源電壓 | 單相220V、三相380V、遠程DC24V (50Hz) | ||||
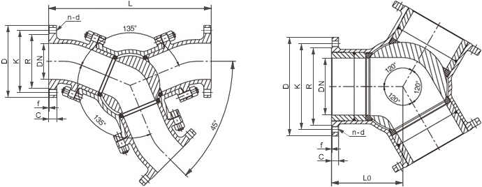
電動三通換向閥主要尺寸
| 公稱壓力 PN | 公稱通徑 DN | 外形及連接尺寸/mm | ||||||
| L | L0 | D | K | R | C-f | n-d | ||
| 16 | 40 | 310 | 110 | 150 | 110 | 88 | 18-2 | 4-?18 |
| 50 | 340 | 110 | 165 | 125 | 102 | 18-2 | 4-?18 | |
| 65 | 400 | 130 | 185 | 145 | 122 | 18-2 | 8-?18 | |
| 80 | 410 | 150 | 200 | 160 | 138 | 20-2 | 8-?18 | |
| 100 | 460 | 170 | 220 | 180 | 158 | 20-2 | 8-?18 | |
| 125 | 560 | 190 | 250 | 210 | 188 | 22-2 | 8-?18 | |
| 150 | 660 | 210 | 285 | 240 | 212 | 22-2 | 8-?22 | |
| 200 | 800 | 235 | 340 | 295 | 268 | 24-2 | 12-?22 | |
| 250 | 1030 | 290 | 405 | 355 | 320 | 26-2 | 12-?26 | |
| 300 | 1140 | 350 | 460 | 410 | 378 | 28-2 | 12-?26 | |
| 350 | 1257 | — | 520 | 470 | 428 | 30-2 | 16-?26 | |
| 表中未列出的其他規格尺寸,請咨詢汗越閥門技術部! | ||||||||
電動三通換向閥結構圖

如果你需訂購我廠三通球閥系列產品,咨詢時煩請注明規格型號,或說明公稱尺寸、公稱壓力、閥體和內件材料、流道角度、使用溫度、法蘭標準及密封面形式等,本產品可根據工況需要,將兩出口端之間的夾角設計成30°、45°、60°、90°、120°及其他角度等。

